找回密码
 立即注册

QQ登录

只需一步,快速开始

楼主: yb739838698

[已解决] 五十几岁的老工程师给的CAD,搞不定,画不出来,高手看过来

[复制链接]

28

主题

5395

回帖

336

威望

嘉宾

WU03360647

积分
8476

嘉宾勋章热心助人勋章优秀会员勋章希望之星勋章

发表于 2016-6-3 17:24 | 显示全部楼层
本帖最后由 伪君子的掘墓人 于 2016-6-3 17:26 编辑
majingfeng 发表于 2016-6-3 14:06
俯视图 仰视图 左视图。。。。。就是没有“下视图”这一说



          “下视图”,“底视图”,“仰视图”,...... 怎么表达都是指向这个小小的挡板,在这个主题帖所提问题的讨论中无关紧要,参与者都知道发帖者所指的是什么意思,何必在这里就“视图定义”发表学究言谈,而与本主题帖问题不甚相关呢 ?!
          其实,下、底、仰、 ...... 在这里不都就是那么回事嘛 ?!
          看看“底视图” 等等 ......
         

其实,下、底、仰、 ...... 在这里不都就是那么回事嘛 ?!

其实,下、底、仰、 ...... 在这里不都就是那么回事嘛 ?!

其实,下、底、仰、 ...... 在这里不都就是那么回事嘛 ?!

其实,下、底、仰、 ...... 在这里不都就是那么回事嘛 ?!
回复

使用道具 举报

110

主题

958

回帖

4

威望

讲师

积分
1365
发表于 2016-6-3 21:19 | 显示全部楼层
此图画的完全正确,不用讨论了,呵呵
回复

使用道具 举报

9

主题

219

回帖

4

威望

工程师

积分
268
 楼主| 发表于 2016-6-4 11:16 | 显示全部楼层
伪君子的掘墓人 发表于 2016-6-3 09:14
你们要仔细看清楚,你们谈论的这个“卷边”,只是这内外挡板的斜弧面切口,弧面曲率 ...

谢谢,讲的很到位。
回复

使用道具 举报

9

主题

219

回帖

4

威望

工程师

积分
268
 楼主| 发表于 2016-6-4 11:23 | 显示全部楼层
伪君子的掘墓人 发表于 2016-6-3 09:14
你们要仔细看清楚,你们谈论的这个“卷边”,只是这内外挡板的斜弧面切口,弧面曲率 ...

谢谢,讲的很到位。
回复

使用道具 举报

2

主题

112

回帖

6

威望

助工

积分
152
发表于 2016-6-4 12:19 | 显示全部楼层
本帖最后由 weihongming 于 2016-6-4 12:52 编辑

在此本不想多说,但看了楼主那标题还是要说几句:
1、不要以为玩三维就是高大上,真正要用二维或手工绘图来准确表达零件设计对人的素质要求并不低,三维实质上是降低了对人的要求。
2、楼主自已有不懂的地方可以正常性发帖求助,谁都有不懂的地方,这很正常,但你那标题的意思大家都明白.....
3、相互学习,相互尊重。
言归正传,那老工程师的图纸没有问题,只能说是人工二维图在投影细节方面可能比三维转二维简略一些,但绝无实质性问题,估计是楼主自己没搞清楚。以下是PROE 的二维图:

捕获.JPG
ENGINEER - DRW0001.pdf (30.4 KB, 下载次数: 5)
2.JPG
prt0001.rar (7.32 KB, 下载次数: 10)
回复

使用道具 举报

9

主题

219

回帖

4

威望

工程师

积分
268
 楼主| 发表于 2016-6-6 09:49 | 显示全部楼层
weihongming 发表于 2016-6-4 12:19
在此本不想多说,但看了楼主那标题还是要说几句:
1、不要以为玩三维就是高大上,真正要用二维或手工绘图 ...

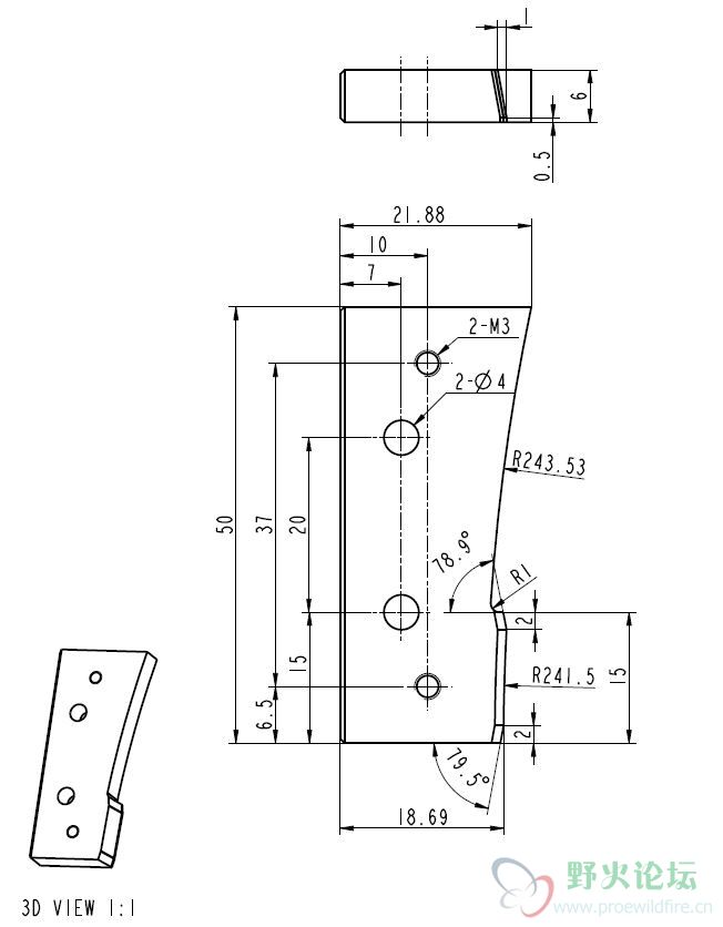
谢谢参与,可能误会了。之所以说五十几岁的老工程师,恰恰是对他的尊敬,给我的图纸有两百多张,也不好意思一有问题就去打扰他。算是个大咖,材料,工艺,制作,加工等等都拿捏很到位。那么我发这个求助帖一来确是被仰视图干扰,可能会是卷边,二来消化图纸快狗带了,借助下广大坛友力量
回复

使用道具 举报

7

主题

1022

回帖

78

威望

讲师

积分
1464

热心助人勋章希望之星勋章

QQ
发表于 2016-6-6 11:33 | 显示全部楼层
yb739838698 发表于 2016-6-6 09:49
谢谢参与,可能误会了。之所以说五十几岁的老工程师,恰恰是对他的尊敬,给我的图纸有两百多张,也不好意 ...

网络之大  万千网友就有万千看法   看得出楼主也是初出毛庐    既然有一个老工程师在旁边那是你的天大福气,不用担心是打扰,应该多问多学,老师傅的经验有的是用钱买不来的,拼命问拼命挖   未来的天下是属于你们的。


在本贴大家讨论的图是否正确或者说到不到位的问题   其实机械类目下的类别也是数不胜数,虽说有国标,但每个类别所从事的行业他都会有一些属于自己的得手表达方法。

此贴求教的零件其实是非常简单的,但也看得出最基本东西都是有学问的,连最基础的标注尺寸都是非常有讲究,曾经就给骂得五伏投地

简单的分析下些零件:从楼上三维转二维,图纸也是没错,但个人还是觉得老工程师的cad图最符合加工处理图,为什么呢? 设想一下,此零件总不是用数控洗吧? 那肯定是车床类加工的,所以说此图是要打印出来到车间的,还有一种情况呢是要外加工的图纸有可能是传真的,那么此零件的重要部位就是241.5的面,老工程师的图纸一看就明了,表达到位,在三维二维的向视图中那三道杆杆你不觉得在些零件当中最重要的地方这样是不是觉得有点?

还有一个视图为什么没有标尺寸:提醒下这是夹板  中间有夹着东西的  所以说没标尺寸的是要根据那夹的零件计算得来的

闲着无聊   来凑凑热门勿喷   

互相学习  互相创造出更美好的未来机械
如果我们生存在冰冷的世界依然难改变,至少我还拥有你化解冰雪的容颜······
回复

使用道具 举报

您需要登录后才可以回帖 登录 | 立即注册

本版积分规则

关闭

站长推荐上一条 /1 下一条

本站为非营利性站点,部分资源为网友搜集或发布,仅供学习和研究使用,如用于商业用途,请购买正版。站内所发布的资源,如有侵犯你的权益,请发邮件联系我们,本站将立即改正或删除。

手机版|小黑屋|野火论坛(©2007~2025) ( 苏ICP备11036728号-2 )苏公网安备 32039102000103号|站长QQ28016688

GMT+8, 2025-11-21 16:50 , Processed in 0.140341 second(s), 26 queries .

快速回复 返回顶部 返回列表