找回密码
 立即注册

QQ登录

只需一步,快速开始

查看: 14074|回复: 2

[求助] 关于同轴度绘制及局部剖视图标注

[复制链接]

1

主题

1

回帖

0

威望

实习生

积分
2
发表于 2016-1-8 22:34 | 显示全部楼层 |阅读模式
本帖最后由 小小的大坏蛋 于 2016-1-8 22:34 编辑

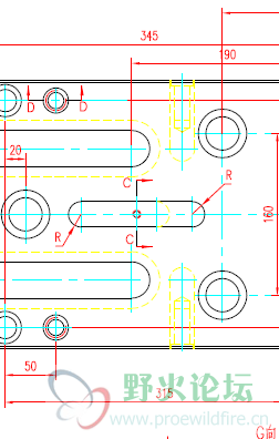
1.同轴度标注时,如何选择把圆柱面作为一个参考?如下图。可以推荐个标注几何公差的教程更好。
1.png
2.如何将局部单独剖出并显示?如下图的螺栓。
2.png 3.png

谢谢!

1287

主题

4万

回帖

900

威望

管理员

积分
47496

社区建设勋章优秀斑竹勋章原创先锋勋章热心助人勋章宣传大使勋章斑竹勋章

发表于 2016-1-9 21:36 | 显示全部楼层
PROE 工程图注释使用教程
http://www.proewildfire.cn/thread-12728-1-1.html
(出处: 野火论坛)

看9楼,用注释写很方便
努力,认真解答网友的每一个问题,共同学习,一起进步!  请勿发论坛消息求助。
回复

使用道具 举报

163

主题

2124

回帖

523

威望

教授

积分
3751

热心助人勋章优秀会员勋章希望之星勋章嘉宾勋章

QQ
发表于 2016-3-16 13:26 | 显示全部楼层
几何公差有两种标注方法:
1、使用系统几何公差标注,在标注前,必须在3D里或工程图里添加系统几何基准,然后点击系统几何公差标注,在标注窗口里有直径符号添加和基准添加;
2、几何公差符号标注,这个要有预选定义好的几何公差符号,在config里有指定符号库路径的
回复

使用道具 举报

您需要登录后才可以回帖 登录 | 立即注册

本版积分规则

关闭

站长推荐上一条 /1 下一条

本站为非营利性站点,部分资源为网友搜集或发布,仅供学习和研究使用,如用于商业用途,请购买正版。站内所发布的资源,如有侵犯你的权益,请发邮件联系我们,本站将立即改正或删除。

手机版|小黑屋|野火论坛(©2007~2025) ( 苏ICP备11036728号-2 )苏公网安备 32039102000103号|站长QQ28016688

GMT+8, 2025-11-10 09:55 , Processed in 0.146661 second(s), 35 queries .

快速回复 返回顶部 返回列表