找回密码
 立即注册

QQ登录

只需一步,快速开始

查看: 13972|回复: 27

[原创] 一个简单的练习

[复制链接]

1

主题

16

回帖

1

威望

实习生

积分
20
发表于 2010-1-15 17:00 | 显示全部楼层 |阅读模式
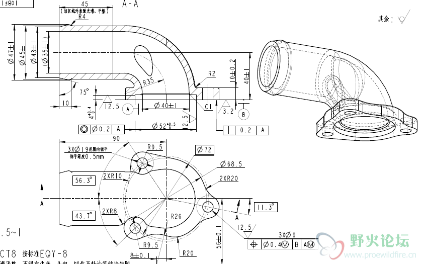
看图

[ 本帖最后由 oyxc 于 2010-1-15 17:04 编辑 ]
1.png

评分

参与人数 1金钱 +3 收起 理由
野火 + 3 感谢分享

查看全部评分

1

主题

16

回帖

1

威望

实习生

积分
20
 楼主| 发表于 2010-1-15 17:02 | 显示全部楼层
三维图
1.png

评分

参与人数 1威望 +1 收起 理由
zmorphis + 1 感谢分享

查看全部评分

回复

使用道具 举报

85

主题

5459

回帖

1037

威望

VIP(贵宾)

积分
9915

优秀斑竹勋章VIP 勋章热心助人勋章优秀会员勋章斑竹勋章希望之星勋章

发表于 2010-1-15 17:31 | 显示全部楼层

回复 2# oyxc 的帖子



      楼主是甚麽意思?
      是展示作品(“产品”曲面不顺滑啊)?
      抑还是出题招唤会员朋友试试手?
回复

使用道具 举报

0

主题

36

回帖

0

威望

实习生

积分
44
发表于 2010-1-15 18:56 | 显示全部楼层
好厉害啊,支持一下
回复

使用道具 举报

34

主题

739

回帖

12

威望

讲师

保长

积分
1291
发表于 2010-1-15 19:42 | 显示全部楼层
我想是个练习题吧《可别光看不练哦
回复

使用道具 举报

12

主题

266

回帖

10

威望

工程师

积分
347
发表于 2010-1-15 21:40 | 显示全部楼层

晕 很晕

2维图主视图中间那是个洞?如果像你说的那样的3维图 那2维图是该那么画么?
回复

使用道具 举报

0

主题

3

回帖

0

威望

实习生

积分
3
发表于 2010-1-15 23:39 | 显示全部楼层
那是个剖视图,凹进去的曲面线应该用虚线表示
回复

使用道具 举报

1

主题

19

回帖

0

威望

实习生

积分
21
发表于 2010-1-17 13:22 | 显示全部楼层

呵呵

楼主的,A-A剖出来有那个洞你表达不清楚,还有两边是不是对称都有?我个人认为能加个局部剖说明下比较好。
回复

使用道具 举报

7

主题

133

回帖

0

威望

助工

积分
147
发表于 2010-2-9 17:54 | 显示全部楼层
刚画的,支持下
prt0003.jpg
回复

使用道具 举报

5

主题

7

回帖

1

威望

实习生

积分
19
发表于 2010-2-22 23:16 | 显示全部楼层

试了一下

[localimg=400,300]1[/localimg]
回复

使用道具 举报

您需要登录后才可以回帖 登录 | 立即注册

本版积分规则

关闭

站长推荐上一条 /1 下一条

本站为非营利性站点,部分资源为网友搜集或发布,仅供学习和研究使用,如用于商业用途,请购买正版。站内所发布的资源,如有侵犯你的权益,请发邮件联系我们,本站将立即改正或删除。

手机版|小黑屋|野火论坛(©2007~2025) ( 苏ICP备11036728号-2 )苏公网安备 32039102000103号|站长QQ28016688

GMT+8, 2025-12-2 17:46 , Processed in 0.132798 second(s), 35 queries .

快速回复 返回顶部 返回列表