找回密码
 立即注册

QQ登录

只需一步,快速开始

查看: 18778|回复: 35

[分享] 全面的箱体类练习图集

[复制链接]

24

主题

209

回帖

5

威望

工程师

积分
278
发表于 2009-11-8 09:50 | 显示全部楼层 |阅读模式
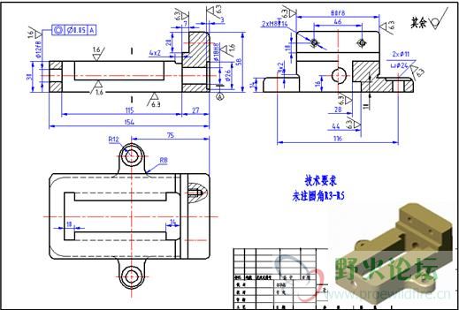
这是全面的箱体类练习集对于新手有很大的帮助在此和大家分享下。。。。。。。。。。。
01.jpg
02.jpg

UG练习图册_箱体类.part01.rar

175.78 KB, 下载次数: 288

UG练习图册_箱体类.part02.rar

175.78 KB, 下载次数: 241

UG练习图册_箱体类.part03.rar

175.78 KB, 下载次数: 226

UG练习图册_箱体类.part04.rar

175.78 KB, 下载次数: 254

UG练习图册_箱体类.part05.rar

175.78 KB, 下载次数: 259

UG练习图册_箱体类.part06.rar

175.78 KB, 下载次数: 199

UG练习图册_箱体类.part07.rar

163.83 KB, 下载次数: 403

评分

参与人数 1威望 +1 收起 理由
野火 + 1 感谢分享

查看全部评分

26

主题

592

回帖

118

威望

高工

积分
965
发表于 2009-11-8 11:32 | 显示全部楼层

UG?

全面的箱体练习?
貌似下面那个是虎钳座吧
有点文不对题呀
回复

使用道具 举报

0

主题

76

回帖

0

威望

助工

积分
93
发表于 2009-11-8 18:15 | 显示全部楼层

我看也ANG

回复

使用道具 举报

5

主题

92

回帖

0

威望

助工

积分
103
发表于 2009-11-27 16:06 | 显示全部楼层
谢谢  分享了
回复

使用道具 举报

0

主题

71

回帖

0

威望

助工

积分
75
发表于 2010-3-22 23:15 | 显示全部楼层
谢谢分享
回复

使用道具 举报

2

主题

76

回帖

0

威望

助工

积分
90
发表于 2010-3-23 22:37 | 显示全部楼层
谢谢LZ分享!!!
回复

使用道具 举报

0

主题

16

回帖

0

威望

实习生

积分
17
发表于 2010-3-24 22:45 | 显示全部楼层
谢谢分享了
回复

使用道具 举报

16

主题

79

回帖

1

威望

助工

积分
115
QQ
发表于 2010-3-28 20:04 | 显示全部楼层
好好学习
回复

使用道具 举报

1

主题

23

回帖

-2

威望

实习生

积分
23
发表于 2010-3-30 13:32 | 显示全部楼层
hen hao
回复

使用道具 举报

5

主题

28

回帖

0

威望

实习生

积分
42
发表于 2010-4-17 14:06 | 显示全部楼层
谢谢楼主分享,正在找工程图练呢,太好了~
回复

使用道具 举报

您需要登录后才可以回帖 登录 | 立即注册

本版积分规则

关闭

站长推荐上一条 /1 下一条

本站为非营利性站点,部分资源为网友搜集或发布,仅供学习和研究使用,如用于商业用途,请购买正版。站内所发布的资源,如有侵犯你的权益,请发邮件联系我们,本站将立即改正或删除。

手机版|小黑屋|野火论坛(©2007~2025) ( 苏ICP备11036728号-2 )苏公网安备 32039102000103号|站长QQ28016688

GMT+8, 2025-12-2 17:44 , Processed in 0.132620 second(s), 29 queries .

快速回复 返回顶部 返回列表