找回密码
 立即注册

QQ登录

只需一步,快速开始

查看: 32118|回复: 34

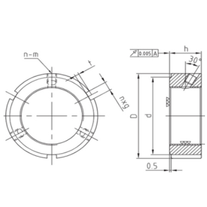
[分享] 大年三十花了几个小时做好的圆螺母,分享给大家

[复制链接]

188

主题

839

回帖

3

威望

讲师

积分
1245
发表于 2021-2-11 23:44 | 显示全部楼层 |阅读模式
本帖最后由 wcs8848 于 2021-2-15 20:50 编辑

快照2.png 快照3.png 快照4.png

快照5.png

GB810-GB812.png GB810-GB812_tab.png
全部按GB做的驱动表格,使用AFX可以全部调用出来,
连小径都是按GB搞的公式 ,绝对严谨,图形漂亮,客气.

给大家拜年了,祝论坛新一年,红红火火,大家事业更上一层楼,交流更活跃

GB810-GB812.rar

130.91 KB, 下载次数: 236

售价: 4 金钱  [记录]

圆螺母与小圆螺母

评分

参与人数 1威望 +1 金钱 +6 收起 理由
野火 + 1 + 6 原创内容

查看全部评分

10

主题

246

回帖

8

威望

工程师

积分
438
发表于 2021-2-12 00:33 | 显示全部楼层
此螺母镶金?
回复 1 0

使用道具 举报

0

主题

38

回帖

0

威望

助工

积分
81
发表于 2021-2-12 20:54 | 显示全部楼层
看看含金量
回复

使用道具 举报

1

主题

242

回帖

0

威望

嘉宾

积分
372
发表于 2021-2-12 22:08 | 显示全部楼层
怎么才能加入AFX
回复

使用道具 举报

12

主题

410

回帖

0

威望

高工

积分
500
发表于 2021-2-12 22:50 | 显示全部楼层
过来学习下
回复

使用道具 举报

1

主题

242

回帖

0

威望

嘉宾

积分
372
发表于 2021-2-13 05:57 | 显示全部楼层
模型打不开,不能检索,版本7.03
回复

使用道具 举报

11

主题

545

回帖

0

威望

高工

积分
632
发表于 2021-2-13 08:19 | 显示全部楼层
放点图出来啊
回复

使用道具 举报

4

主题

42

回帖

0

威望

助工

积分
80
发表于 2021-2-13 13:51 | 显示全部楼层
谢谢分享
回复

使用道具 举报

24

主题

536

回帖

4

威望

高工

积分
715
发表于 2021-2-13 16:23 | 显示全部楼层
过来学习下
回复

使用道具 举报

6

主题

511

回帖

0

威望

高工

积分
673
QQ
发表于 2021-2-14 11:09 | 显示全部楼层
有点。。。。。。。。。。。。。。。。。。
回复

使用道具 举报

您需要登录后才可以回帖 登录 | 立即注册

本版积分规则

关闭

站长推荐上一条 /1 下一条

本站为非营利性站点,部分资源为网友搜集或发布,仅供学习和研究使用,如用于商业用途,请购买正版。站内所发布的资源,如有侵犯你的权益,请发邮件联系我们,本站将立即改正或删除。

手机版|小黑屋|野火论坛(©2007~2025) ( 苏ICP备11036728号-2 )苏公网安备 32039102000103号|站长QQ28016688

GMT+8, 2025-10-14 11:09 , Processed in 0.177402 second(s), 33 queries .

快速回复 返回顶部 返回列表