找回密码
 立即注册

QQ登录

只需一步,快速开始

查看: 15805|回复: 15

[求助] 帮忙看下这个图画的对不对.谢谢!

[复制链接]

3

主题

16

回帖

0

威望

实习生

积分
25
发表于 2014-12-20 13:33 | 显示全部楼层 |阅读模式
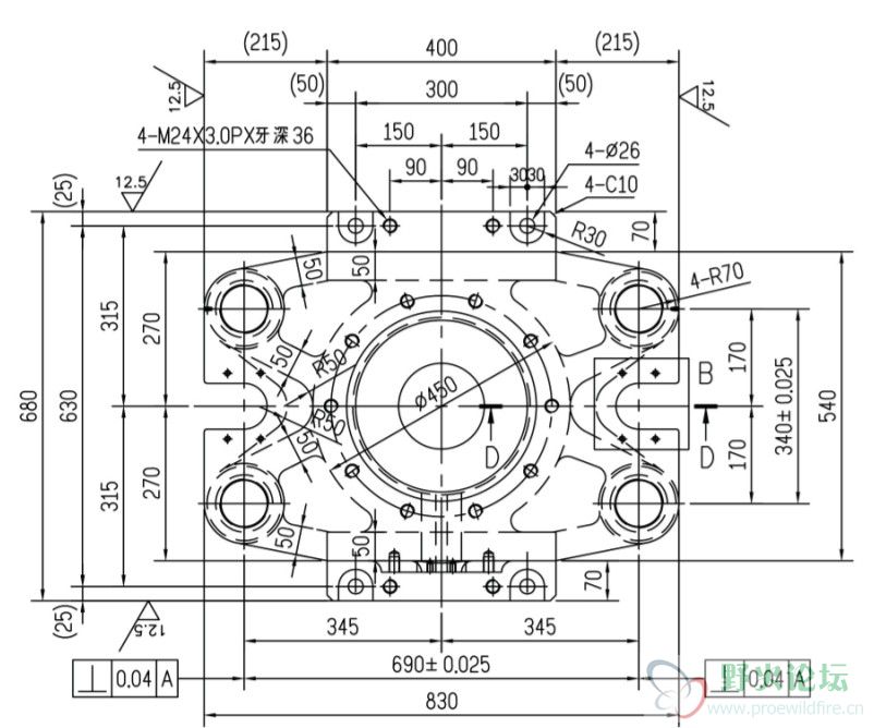
帮忙看下这个图画的对不对。尤其是其上面部分,图纸线条感觉很混乱,画好没有把握!谢谢!
链接: http://pan.baidu.com/s/1jGGFSMU 密码: 6fsw

15

主题

1421

回帖

198

威望

讲师

IT老民工

积分
2486

热心助人勋章优秀会员勋章希望之星勋章

发表于 2014-12-21 15:11 | 显示全部楼层
楼主没按图纸画完整吧?

QQ图片1.jpg


QQ图片2.jpg


回复

使用道具 举报

3

主题

16

回帖

0

威望

实习生

积分
25
 楼主| 发表于 2014-12-21 19:12 | 显示全部楼层
没有,我基本画完整了。只是我对油缸上半部分左右突出及原先给的二维图中的主视图的85度那个是什么意思,不是很了解。所以找高手指点!
1.PNG
回复

使用道具 举报

0

主题

92

回帖

0

威望

助工

积分
97
发表于 2014-12-22 00:05 | 显示全部楼层
真是厉害呀,
回复

使用道具 举报

2

主题

228

回帖

24

威望

工程师

积分
346
发表于 2014-12-22 09:23 | 显示全部楼层
guwang201 发表于 2014-12-21 19:12
没有,我基本画完整了。只是我对油缸上半部分左右突出及原先给的二维图中的主视图的85度那个是什么意思,不 ...

85度 貌似是圆柱体的拔模尺寸
Grand Thumbs
回复

使用道具 举报

36

主题

333

回帖

6

威望

工程师

积分
433
发表于 2014-12-22 19:50 | 显示全部楼层
这图纸轮廓线,标注线,隐藏线,都一样粗,看得我眼花缭乱。
能看这图纸的确是高手啊。
回复

使用道具 举报

3

主题

16

回帖

0

威望

实习生

积分
25
 楼主| 发表于 2014-12-22 20:24 | 显示全部楼层
是的,图线真心太多了!帮帮忙!
回复

使用道具 举报

15

主题

1421

回帖

198

威望

讲师

IT老民工

积分
2486

热心助人勋章优秀会员勋章希望之星勋章

发表于 2014-12-23 08:11 | 显示全部楼层
guwang201 发表于 2014-12-22 20:24
是的,图线真心太多了!帮帮忙!


应楼主要求,画了一下。

可能局部细节不很理想。

QQ图片3.jpg


QQ图片4.jpg


回复

使用道具 举报

3

主题

16

回帖

0

威望

实习生

积分
25
 楼主| 发表于 2014-12-23 18:02 | 显示全部楼层
谢谢帮忙!那个拔模角处理好了,就是你认为油缸上半部分的形状就是那样?一些小孔没有我之前画出来是因为那些需要机械加工出来。楼上可否分享下你的prt文件?谢谢!!!
11.PNG
回复

使用道具 举报

15

主题

1421

回帖

198

威望

讲师

IT老民工

积分
2486

热心助人勋章优秀会员勋章希望之星勋章

发表于 2015-1-8 19:07 | 显示全部楼层
本帖最后由 BoYa_DIY 于 2015-1-8 19:09 编辑
guwang201 发表于 2014-12-23 18:02
谢谢帮忙!那个拔模角处理好了,就是你认为油缸上半部分的形状就是那样?一些小孔没有我之前画出来是因为那 ...


一直没空,今天才看见楼主楼上的帖。

把之前画的练习发上来,相互学习

油缸图纸.rar (1.95 MB, 下载次数: 36, 售价: 1 金钱)


QQ图片.jpg
回复

使用道具 举报

您需要登录后才可以回帖 登录 | 立即注册

本版积分规则

关闭

站长推荐上一条 /1 下一条

本站为非营利性站点,部分资源为网友搜集或发布,仅供学习和研究使用,如用于商业用途,请购买正版。站内所发布的资源,如有侵犯你的权益,请发邮件联系我们,本站将立即改正或删除。

手机版|小黑屋|野火论坛(©2007~2025) ( 苏ICP备11036728号-2 )苏公网安备 32039102000103号|站长QQ28016688

GMT+8, 2025-11-6 06:29 , Processed in 0.118412 second(s), 29 queries .

快速回复 返回顶部 返回列表