找回密码
 立即注册

QQ登录

只需一步,快速开始

查看: 22803|回复: 13

[求助] 求各位大神帮忙解决!!!!!

[复制链接]

3

主题

8

回帖

0

威望

实习生

积分
12
发表于 2014-3-20 15:19 | 显示全部楼层 |阅读模式
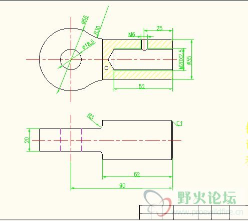
怎么样把图中的台阶和圆柱面贴合啊?
QQ截图20140320151129.jpg
QQ截图20140320151200.jpg

3

主题

8

回帖

0

威望

实习生

积分
12
 楼主| 发表于 2014-3-20 15:20 | 显示全部楼层
这个是原图

siganlianjietou.prt.zip

57.33 KB, 下载次数: 9

回复

使用道具 举报

26

主题

659

回帖

43

威望

高工

积分
871

希望之星勋章

发表于 2014-3-20 16:07 | 显示全部楼层
你用混合就可以,无论是先画截面再点混合或者直接选择混合命令然后再做截面都一样,不过记得那个圆形要分割。
1.jpg

混合.prt.zip

35.56 KB, 下载次数: 4

评分

参与人数 1威望 +1 收起 理由
fjs2008 + 1 热心助人

查看全部评分

回复

使用道具 举报

3

主题

8

回帖

0

威望

实习生

积分
12
 楼主| 发表于 2014-3-20 16:23 | 显示全部楼层
好像不是的,这样就全部都混合了,CAD图是这个样子的
QQ截图20140320161634.jpg

Drawing1.zip

23.75 KB, 下载次数: 1

回复

使用道具 举报

2

主题

228

回帖

24

威望

工程师

积分
346
发表于 2014-3-20 16:25 | 显示全部楼层
拉伸2  改为 混合 直径35圆 草绘时 分割成四段

QQ图片.jpg


siganlianjietou2.prt.rar (64.94 KB, 下载次数: 0)





  

评分

参与人数 1威望 +1 收起 理由
fjs2008 + 1 热心助人

查看全部评分

Grand Thumbs
回复

使用道具 举报

26

主题

659

回帖

43

威望

高工

积分
871

希望之星勋章

发表于 2014-3-20 18:17 | 显示全部楼层
月生123 发表于 2014-3-20 16:23
好像不是的,这样就全部都混合了,CAD图是这个样子的

道理是一样的,混合时下面的曲面改一下就好  
回复

使用道具 举报

2

主题

228

回帖

24

威望

工程师

积分
346
发表于 2014-3-20 18:46 | 显示全部楼层
本帖最后由 thumbs 于 2014-3-20 18:47 编辑
月生123 发表于 2014-3-20 16:23
好像不是的,这样就全部都混合了,CAD图是这个样子的


按你 CAD 图纸再画一个

感觉 R35 的尺寸设计不太合理


QQ图片.jpg



prt0001.prt.rar (210.09 KB, 下载次数: 8)









Grand Thumbs
回复

使用道具 举报

0

主题

23

回帖

0

威望

实习生

积分
25
发表于 2014-3-20 19:17 | 显示全部楼层
不信的告诉你 楼主你没画错
回复

使用道具 举报

0

主题

23

回帖

0

威望

实习生

积分
25
发表于 2014-3-20 19:18 | 显示全部楼层
按图纸画的话你没错
回复

使用道具 举报

53

主题

1330

回帖

25

威望

讲师

积分
1797
QQ
发表于 2014-3-20 21:33 | 显示全部楼层
本帖最后由 qqhhdd 于 2014-3-20 21:34 编辑

现实常见的活塞杆头是这样的,根本不用复杂的特征
QQ截图20140320213248.png
回复

使用道具 举报

您需要登录后才可以回帖 登录 | 立即注册

本版积分规则

关闭

站长推荐上一条 /1 下一条

本站为非营利性站点,部分资源为网友搜集或发布,仅供学习和研究使用,如用于商业用途,请购买正版。站内所发布的资源,如有侵犯你的权益,请发邮件联系我们,本站将立即改正或删除。

手机版|小黑屋|野火论坛(©2007~2025) ( 苏ICP备11036728号-2 )苏公网安备 32039102000103号|站长QQ28016688

GMT+8, 2025-11-6 00:49 , Processed in 0.138269 second(s), 30 queries .

快速回复 返回顶部 返回列表