找回密码
 立即注册

QQ登录

只需一步,快速开始

查看: 496|回复: 7

[求助] 有没有高手有这种隐型可调节吊码的建模啊?

[复制链接]

39

主题

397

回帖

9

威望

工程师

积分
499
发表于 2026-1-15 10:57 | 显示全部楼层 |阅读模式
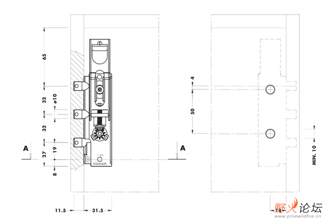
有没有高手有这种隐型可调节吊码的建模啊?
自已画的话,手上又没有样品可供参考,尺寸结构都要靠猜,比较痛苦



screenshot_2026-01-15_10-38-31.png
screenshot_2026-01-15_10-39-22.png
ScreenShot_2026-01-15_101528_759.png
ScreenShot_2026-01-15_101614_980.png
ScreenShot_2026-01-15_101647_565.png
ScreenShot_2026-01-15_101655_194.png
ScreenShot_2026-01-15_101702_599.png
ScreenShot_2026-01-15_101746_140.png
ScreenShot_2026-01-15_101755_271.png
ScreenShot_2026-01-15_102230_404.png
ScreenShot_2026-01-15_102239_953.png
ScreenShot_2026-01-15_102255_545.png
ScreenShot_2026-01-15_102315_216.png
活在当下,展望未来。

0

主题

64

回帖

0

威望

助工

积分
77
发表于 2026-1-15 15:25 | 显示全部楼层
有些較具規模的五金公司有提供3D,如能提供型號會比較好找一些
回复

使用道具 举报

39

主题

397

回帖

9

威望

工程师

积分
499
 楼主| 发表于 2026-1-16 11:28 | 显示全部楼层
chaoesu 发表于 2026-1-15 15:25
有些較具規模的五金公司有提供3D,如能提供型號會比較好找一些

一般有也不会给的,怕被抄作业。我还是自己买个样品来画一下吧
活在当下,展望未来。
回复

使用道具 举报

14

主题

794

回帖

11

威望

高工

积分
926
发表于 2026-1-16 16:13 | 显示全部楼层
买个样品
回复

使用道具 举报

8

主题

229

回帖

6

威望

工程师

积分
272
QQ
发表于 2026-1-16 16:13 | 显示全部楼层
chaoesu 发表于 2026-1-15 15:25
有些較具規模的五金公司有提供3D,如能提供型號會比較好找一些

不会给的,
回复

使用道具 举报

2

主题

104

回帖

0

威望

助工

积分
159
发表于 2026-1-16 18:10 | 显示全部楼层
和你没合做过的供应商一般不给,我们合做的久的供应商要3D一般都给,行业标准五金件,电子元件都会给
不是白天不懂夜的黑,而是黑夜的黑,是白天的另一种存在
回复

使用道具 举报

16

主题

194

回帖

0

威望

工程师

积分
235
发表于 2026-1-20 11:56 | 显示全部楼层
应该不会
回复

使用道具 举报

17

主题

2215

回帖

17

威望

讲师

积分
2583
发表于 2026-1-20 12:45 | 显示全部楼层
买一个拆了 再建模
回复

使用道具 举报

您需要登录后才可以回帖 登录 | 立即注册

本版积分规则

关闭

站长推荐上一条 /1 下一条

本站为非营利性站点,部分资源为网友搜集或发布,仅供学习和研究使用,如用于商业用途,请购买正版。站内所发布的资源,如有侵犯你的权益,请发邮件联系我们,本站将立即改正或删除。

手机版|小黑屋|野火论坛(©2007~2026) ( 苏ICP备11036728号-2 )苏公网安备 32039102000103号|站长QQ28016688

GMT+8, 2026-3-18 13:48 , Processed in 0.193522 second(s), 27 queries .

快速回复 返回顶部 返回列表